JCQ-3(E)
مانیتور برقگیر JCQ-3E به صورت سری به برق گیر زیر متصل می شود، می توان از آن برای ثبت تعداد دفعات عمل صاعقه گیر استفاده کرد، بلکه توسط دستگاه مانیتورینگ جریان نشتی میلی متری برق گیر در ولتاژ عملیاتی.صاعقه گیر برای 220 کیلو ولت و زیر درجه، شرایط محیطی سایت با همان صاعقه گیر متصل است، برای آلودگی جدی و محل شوک شدید مناسب نیست.ورق دریچه اکسید روی، خواص الکتریکی تا حد زیادی افزایش یافته است.
1. مناسب برای داخل یا خارج از منزل.
2) دمای محیط (40-+40) درجه سانتیگراد.
3. ارتفاع از 2000 متر تجاوز نمی کند.
4. فرکانس توان (48 ~ 62) هرتز.
5. بدون مکان لرزش شدید.
1. اصل برق
مانیتور صاعقه گیر مانند صفحه شیر نمونه برداری، سیلیکون یکسو کننده پل، یک خازن ولتاژ بالا، شمارنده الکترومغناطیسی، اجزای میلیآمتری.استفاده از جریان تخلیه برقگیر، صفحه شیر (مقاومت غیرخطی) ولتاژ تولید شده توسط یکسو کننده پل سیلیکونی، شارژ خازن، تخلیه به شمارنده الکترومغناطیسی، هر رکورد در یک زمان، برای دستیابی به زمان های عمل صاعقه گیر را ثبت کنید.
2. این محصول از پوشش پوسته فولاد ضد زنگ با کیفیت بالا استفاده می کند، دارای محافظت در برابر خوردگی خوب است.عملکرد آب بندی خوب است، تحت تاثیر محیط خارجی قرار نمی گیرد.عنصر داخلی دارای خواص ضد پیری خوبی است، می تواند برای عملکرد سیستم قدرت قابل استفاده باشد.مانیتور برقگیر نوع JCQ-3E از صفحه نمایش دیجیتال 2 بیتی استفاده می کند، صفحه نمایش واضح است، مشاهده آسان است.منجر به فرکانس کوتاه مدت توسط صاعقه گیر رکورد کامل است.
| فنی مولفه های | 8/20μs حد بالا عملیاتی جاری | 8/20μs حد پایین عملیاتی جاری | 2 میلی ثانیه مستطیل شکل جاری | 4/10μs تکانه | باقی مانده ولتاژ در nominal تخلیه جاری |
| JCQ-3E | 10KA | 50A | 1200A | 100KA | زیر 2.5 کیلو ولت |
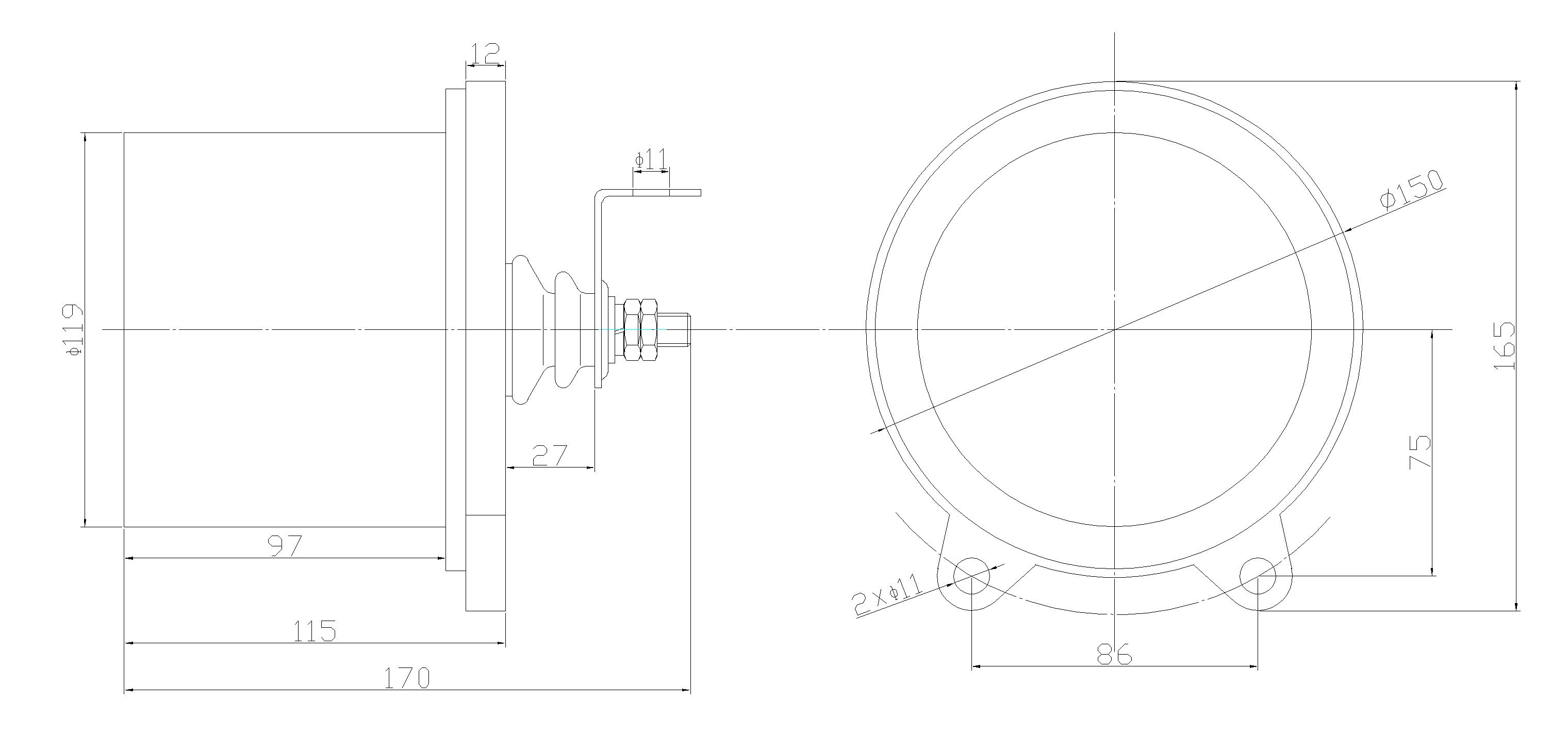
یک شمارنده با توجه به شکل کلی آن نصب کنید.شمارنده باید به صورت سری بین برقگیر و زمین وصل شود، به عبارت دیگر به صورت موازی با فلنج های روی دو پایانه پایه عایق برقگیر متصل می شود.هنگام نصب شمارنده، ابتدا باید رنگ را روی دو سطح سوراخ فیکسچر (Φ11) که روی فلنج پیشخوان قرار دارد بتراشید تا از اتصال بسیار خوب آنها مطمئن شوید.و سپس شمارنده را در نزدیکی پایه یک برقگیر با پیچ M10x40 ثابت کنید، جایی که به راحتی می توان آن را به صورت همسطح تماشا کرد.همچنین به عنوان ترمینال ارت دار می باشد.سپس انتهای سیم سرب HV را با پیچ Ml0x30 به باس میله روی فلنج بالایی پایه عایق برقگیر متصل کنید.پس از اتمام نصب، شمارنده را بررسی کنید و نباید شیب واضحی داشته باشد.اگر نشانگر یک شمارنده به '0' اشاره نمی کند، باید آن را با توجه به بند 4.2 به خوبی تنظیم کنید.سپس ممکن است به بهره برداری برسد.شما نباید مهره M10 را که قرمز رنگ شده و آن شش پیچ M6x20 روی پایه را باز کنید تا از تخریب مهر و موم جلوگیری شود.ابعاد کلی و موقعیت نصب یک شمارنده در زیر نشان داده شده است.
4.1) کاربر باید ساده باشد آزمایش نقطه ای در یک پیشخوان قبل از بهره برداری و پس از کارکرد آن برای یک یا دو سال.
4.2) یک راه ساده برای آزمایش ویژگی عملکرد یک شمارنده: شما به یک میگر برای 500 ولت و یک کندانسور برای 600 ولت 10 μF نیاز دارید.
روش تست:
ابتدا خازن را با چرخاندن میگر شارژ کنید.مدار شارژ را زمانی که به طور پیوسته شارژ می شود، قطع کنید، به شرطی که مگر را در حال چرخش نگه دارید.سپس کندانسور را که به خوبی شارژ شده است، یک بار دو پایانه سیم پیچ شمارنده را تخلیه کنید، بنابراین شمارنده یک بار شمارش می شود.باید آزمایش را ده بار ادامه دهید.شمارنده خوب است اگر بتواند هر بار به طور معمول و قابل اعتماد کار کند.در غیر این صورت ممکن است پیشخوان کار نکند یا حساسیت آن کمتر باشد، نیاز به بررسی یا تعمیر دارد.
4.3) اگر نشانگر آن به '0' اشاره نمی کند، می توانید شماره اصلی روی شمارنده را نیز به عنوان عدد اصلی آن برای شمارش در نظر بگیرید و سپس کل زمان های کار یک برقگیر را جمع کنید.
مانیتور برقگیر JCQ-3E به صورت سری به برق گیر زیر متصل می شود، می توان از آن برای ثبت تعداد دفعات عمل صاعقه گیر استفاده کرد، بلکه توسط دستگاه مانیتورینگ جریان نشتی میلی متری برق گیر در ولتاژ عملیاتی.صاعقه گیر برای 220 کیلو ولت و زیر درجه، شرایط محیطی سایت با همان صاعقه گیر متصل است، برای آلودگی جدی و محل شوک شدید مناسب نیست.ورق دریچه اکسید روی، خواص الکتریکی تا حد زیادی افزایش یافته است.
1. مناسب برای داخل یا خارج از منزل.
2) دمای محیط (40-+40) درجه سانتیگراد.
3. ارتفاع از 2000 متر تجاوز نمی کند.
4. فرکانس توان (48 ~ 62) هرتز.
5. بدون مکان لرزش شدید.
1. اصل برق
مانیتور صاعقه گیر مانند صفحه شیر نمونه برداری، سیلیکون یکسو کننده پل، یک خازن ولتاژ بالا، شمارنده الکترومغناطیسی، اجزای میلیآمتری.استفاده از جریان تخلیه برقگیر، صفحه شیر (مقاومت غیرخطی) ولتاژ تولید شده توسط یکسو کننده پل سیلیکونی، شارژ خازن، تخلیه به شمارنده الکترومغناطیسی، هر رکورد در یک زمان، برای دستیابی به زمان های عمل صاعقه گیر را ثبت کنید.
2. این محصول از پوشش پوسته فولاد ضد زنگ با کیفیت بالا استفاده می کند، دارای محافظت در برابر خوردگی خوب است.عملکرد آب بندی خوب است، تحت تاثیر محیط خارجی قرار نمی گیرد.عنصر داخلی دارای خواص ضد پیری خوبی است، می تواند برای عملکرد سیستم قدرت قابل استفاده باشد.مانیتور برقگیر نوع JCQ-3E از صفحه نمایش دیجیتال 2 بیتی استفاده می کند، صفحه نمایش واضح است، مشاهده آسان است.منجر به فرکانس کوتاه مدت توسط صاعقه گیر رکورد کامل است.
| فنی مولفه های | 8/20μs حد بالا عملیاتی جاری | 8/20μs حد پایین عملیاتی جاری | 2 میلی ثانیه مستطیل شکل جاری | 4/10μs تکانه | باقی مانده ولتاژ در nominal تخلیه جاری |
| JCQ-3E | 10KA | 50A | 1200A | 100KA | زیر 2.5 کیلو ولت |
یک شمارنده با توجه به شکل کلی آن نصب کنید.شمارنده باید به صورت سری بین برقگیر و زمین وصل شود، به عبارت دیگر به صورت موازی با فلنج های روی دو پایانه پایه عایق برقگیر متصل می شود.هنگام نصب شمارنده، ابتدا باید رنگ را روی دو سطح سوراخ فیکسچر (Φ11) که روی فلنج پیشخوان قرار دارد بتراشید تا از اتصال بسیار خوب آنها مطمئن شوید.و سپس شمارنده را در نزدیکی پایه یک برقگیر با پیچ M10x40 ثابت کنید، جایی که به راحتی می توان آن را به صورت همسطح تماشا کرد.همچنین به عنوان ترمینال ارت دار می باشد.سپس انتهای سیم سرب HV را با پیچ Ml0x30 به باس میله روی فلنج بالایی پایه عایق برقگیر متصل کنید.پس از اتمام نصب، شمارنده را بررسی کنید و نباید شیب واضحی داشته باشد.اگر نشانگر یک شمارنده به '0' اشاره نمی کند، باید آن را با توجه به بند 4.2 به خوبی تنظیم کنید.سپس ممکن است به بهره برداری برسد.شما نباید مهره M10 را که قرمز رنگ شده و آن شش پیچ M6x20 روی پایه را باز کنید تا از تخریب مهر و موم جلوگیری شود.ابعاد کلی و موقعیت نصب یک شمارنده در زیر نشان داده شده است.
4.1) کاربر باید ساده باشد آزمایش نقطه ای در یک پیشخوان قبل از بهره برداری و پس از کارکرد آن برای یک یا دو سال.
4.2) یک راه ساده برای آزمایش ویژگی عملکرد یک شمارنده: شما به یک میگر برای 500 ولت و یک کندانسور برای 600 ولت 10 μF نیاز دارید.
روش تست:
ابتدا خازن را با چرخاندن میگر شارژ کنید.مدار شارژ را زمانی که به طور پیوسته شارژ می شود، قطع کنید، به شرطی که مگر را در حال چرخش نگه دارید.سپس کندانسور را که به خوبی شارژ شده است، یک بار دو پایانه سیم پیچ شمارنده را تخلیه کنید، بنابراین شمارنده یک بار شمارش می شود.باید آزمایش را ده بار ادامه دهید.شمارنده خوب است اگر بتواند هر بار به طور معمول و قابل اعتماد کار کند.در غیر این صورت ممکن است پیشخوان کار نکند یا حساسیت آن کمتر باشد، نیاز به بررسی یا تعمیر دارد.
4.3) اگر نشانگر آن به '0' اشاره نمی کند، می توانید شماره اصلی روی شمارنده را نیز به عنوان عدد اصلی آن برای شمارش در نظر بگیرید و سپس کل زمان های کار یک برقگیر را جمع کنید.
عایق های سرامیکی که عمدتاً از سیلیکات آلومینا تشکیل شده اند، اجزای حیاتی در خطوط انتقال و توزیع هوایی هستند. قابلیت اطمینان طولانی مدت آنها توسط عوامل استرس زای محیطی به چالش کشیده می شود که منجر به تخریب عملکرد می شود. این مقاله مکانیسمهای اساسی پیری عایقهای سرامیکی را با تمرکز بر تشعشعات فرابنفش (UV) و تجمع آلودگی تجزیه و تحلیل میکند. این بیشتر آخرین پیشرفتها در فناوریهای پوشش عملکردی را که برای کاهش این اثرات طراحی شدهاند، بررسی میکند، در نتیجه عمر سرویس را افزایش میدهد و انعطافپذیری شبکه را تضمین میکند.
برای چندین دهه، ماموریت اصلی برقگیر ثابت مانده است: محافظت از تجهیزات الکتریکی در برابر اضافه ولتاژهای گذرا، خواه ناشی از برخورد صاعقه یا عملیات سوئیچینگ، با ایجاد یک مسیر با امپدانس کم به زمین و بازیابی سریع عملکرد عادی سیستم. با این حال، ابزار دستیابی به این مأموریت دستخوش تحولی اساسی است. با توجه به تقاضاهای شبکه های برق مدرن - افزایش یکپارچگی انرژی های تجدیدپذیر، دیجیتالی شدن و نیاز به قابلیت اطمینان بیشتر - فناوری مهارکننده در حال حرکت فراتر از نقش سنتی و غیرفعال خود به عصر اجزای هوشمند، تطبیقی و بسیار انعطاف پذیر است.
کلیدهای ایزولاتور که با نام کلیدهای جداکننده یا ایزولاتور نیز شناخته می شوند، اجزای اساسی در سیستم های قدرت الکتریکی هستند. عملکرد اصلی آنها فراهم کردن یک نقطه شکست قابل مشاهده برای جداسازی، تضمین نگهداری و تعمیر ایمن تجهیزات پایین دست است. برخلاف کلیدهای مدار، آنها برای قطع جریان بار یا جریان خطا طراحی نشده اند. با این حال، عملکرد قابل اعتماد آنها - باز و بسته شدن بر اساس فرمان - برای ایمنی، انعطاف پذیری و در دسترس بودن سیستم بسیار مهم است.
فیوزها، به عنوان ابزارهای حفاظت غیرفعال حیاتی و اغلب نادیده گرفته می شوند، برای ایمنی الکتریکی اساسی هستند. عملکرد قابل اعتماد آنها به یکپارچگی سطوح عایق و عنصر ذوب پذیر بستگی دارد. این مقاله به دو حالت شکست رایج میپردازد: آلودگی سطحی و پیری/تخریب داخلی. ما یک تجزیه و تحلیل فنی دقیق از مکانیسم ها ارائه می دهیم، تکنیک های شناسایی پیشرفته و عملی را ترسیم می کنیم، و یک پروتکل تعمیر و نگهداری سیستماتیک را برای افزایش قابلیت اطمینان سیستم و جلوگیری از خرابی غیرمنتظره تجویز می کنیم.
انتقال جهانی به سمت شبکه های هوشمند نشان دهنده یک تغییر اساسی در نحوه تولید، توزیع و مصرف انرژی الکتریکی است. شبکه های هوشمند که با جریان دو طرفه قدرت، ادغام عمیق منابع انرژی توزیع شده (DER) مانند خورشید و باد، زیرساخت اندازه گیری پیشرفته (AMI) و تجزیه و تحلیل داده های بلادرنگ مشخص می شوند، نسل جدیدی از دستگاه های حفاظتی را می طلبند. در این میان، فیوز فروتن، سنگ بنای حفاظت الکتریکی برای بیش از یک قرن، دستخوش یک تحول عمیق تکنولوژیکی شده است. آینده فناوری فیوز در تکامل از یک جزء محافظ ساده و فداکارانه به یک دارایی شبکه هوشمند، سازگار و غنی از داده است.
برای چندین دهه، ماموریت اصلی برقگیر ثابت مانده است: محافظت از تجهیزات الکتریکی در برابر اضافه ولتاژهای گذرا، خواه ناشی از برخورد صاعقه یا عملیات سوئیچینگ، با ایجاد یک مسیر با امپدانس کم به زمین و بازیابی سریع عملکرد عادی سیستم. با این حال، ابزار دستیابی به این مأموریت دستخوش تحولی اساسی است. با توجه به تقاضاهای شبکه های برق مدرن - افزایش یکپارچگی انرژی های تجدیدپذیر، دیجیتالی شدن و نیاز به قابلیت اطمینان بیشتر - فناوری مهارکننده در حال حرکت فراتر از نقش سنتی و غیرفعال خود به عصر اجزای هوشمند، تطبیقی و بسیار انعطاف پذیر است.
برقگیرهای خط توزیع (DLSA) به عنوان دستگاه های حفاظتی حیاتی نصب شده بر روی سیستم های توزیع برق سربار، معمولاً بین 1 کیلو ولت و 38 کیلو ولت کار می کنند. وظیفه اصلی آنها محافظت از تجهیزات الکتریکی، ترانسفورماتورها و زیرساخت ها در برابر اضافه ولتاژهای گذرا ناشی از برخورد صاعقه، عملیات سوئیچینگ و سایر اختلالات الکتریکی است.
مسکو، روسیه - از 2 تا 4 دسامبر 2025، ژجیانگ هایوو با موفقیت در نمایشگاه بین المللی تجهیزات شبکه برق در روسیه شرکت کرد و آخرین نوآوری های خود را در زمینه حفاظت از برق و فناوری توزیع برق ارائه کرد.
قطع فیوزهای خروجی اجزای حیاتی در سیستم های توزیع بالای سر هستند که حفاظت و ایزوله در برابر جریان اضافه را فراهم می کنند. با این حال، قرار گرفتن طولانی مدت در معرض تنش های محیطی، الکتریکی و مکانیکی منجر به پیری می شود که عملکرد و قابلیت اطمینان را به خطر می اندازد. این مقاله مکانیسمهای اولیه پیری را بررسی میکند و استراتژیهای پیشگیری و نگهداری موثر را برای افزایش عمر سرویس و تضمین ایمنی سیستم تشریح میکند.
سیستمهای دوشاخه و پریز ولتاژ بالا در فضای باز (معمولاً 1 کیلو ولت تا 52 کیلو ولت) راهحلهای مهندسی پیچیدهای را ارائه میکنند که برای اتصالات برق ایمن و قابل اعتماد در محیطهای پر تقاضا طراحی شدهاند. این کانکتورهای قابل جداسازی، توزیع برق انعطافپذیر را در عین حفظ یکپارچگی سیستم در شبکههای شهری، تأسیسات صنعتی و کاربردهای انرژی تجدیدپذیر امکانپذیر میسازند. بر خلاف همتایان ولتاژ پایین، کانکتورهای HV نیازمند توجه دقیق به کنترل میدان الکتریکی، هماهنگی عایق و حفاظت از محیط زیست هستند.
پست الکترونیک:jonsonchai@chinahaivo.com
WeChat: +86 13587716869
WhatsApp: +86 13587716869
تلفن: 0086-577-62836929
0086-577-62836926
0086-13587716869
0086-15957720101